Bryn Martin carried out an energy audit. It started by understanding the intent and function of the existing steam and heating systems. One of the first outputs was a schematic diagram of the steam system.
Having established how the steam system was installed, it was possible to interpret the historical steam records to create a picture of energy use, from which it became clear that the prime driver of steam consumption all year round was the production of domestic hot water.
Electricity was analysed similarly, and then a detaield visual examination was made of the building, its systems and construction.n Martin was asked to look at the use of energy at Franklin Village, the former Nurses Home of Nelson Hospital and now a long term accommodation unit. It was felt that the monthly steam costs (in particular) were too great for the nature of the operation.
The Recomendations
Bryn Martin provided two groups of reccomendations.
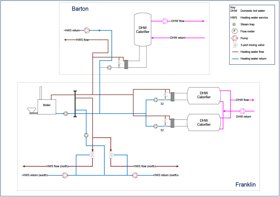
The first, before any significant investment was made in the existing steam sytem, was that the Customer should esablish the security of the long term supply of steam from the Hospital. If it was not secure, the concequence would be the need to become self sufficint in energy. Bryn Martin provided advice and estiamted capital and operating costs of what such plant might be. One possible plant configuration is reproduced to the left.
The second group was a detailed list of reccomendations across all facets of energy use on site. They included (without being exhaustive);
- Carry out the 10 yearly inspections of the domestic hot water and heating calorifiers as soon as possible. If major replacements were required it might cause some of the less attractive options covered by the report to be revisited.
- Continuing to use steam for central heating but replacing the existing steam domestic hot water system with one that uses heat pumps as the energy source was well worth investigating further. Paybacks of the order of 3 ½ to 4 ½ years were indicated.
- Check shower flow rates to limit them to arround 8l/minute.
- If steam is to be retained then the scope of work outlined in the report for its refurbishment and upgrade needs to be addressed sooner rather than later.
- Fit draft excluder strip to the opening windows on Franklin block as a part of the regular room maintenance. Although the savings were modest so are the costs of fitment. There is an added benefit to the tenants in a reduction of drafts. Simila
- rly if an inexpensive draft excluder strip can be sourced which is compatible with sliding windows the same should be done in Barton block.
- Options of applying insulating window film do not make economic sense at the presently quoted prices. Insulating beneath the windows on Franklin block ws a better (although not good) proposition with a payback of 6 years. If external walls were to be opened however for any reason they should always be insulated with a good layer of insulating batts before the wall lining is replaced.
- A full survey of fluorescent light fittings in general use areas and external flood and security lighting is well worthwhile to establish which might be economically beneficial to change to LED's.
- Start an energy monitoring programme to generate better energy use information and to use as it a tool to target energy efficiency. Without effective energy use records in a much detail as it is practicable to collect, managing and (more importantly) driving energy use down is difficult